气动衬胶隔膜阀
产品简图

EG641(W/J/FS)-6/10/16型 气动衬胶隔膜阀

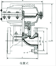
EG641(W/J/FS)-6/10/16型 气动衬胶隔膜阀结构图
主要零件材料
| 零件名称 | 阀体 | 气缸、气缸盖 | 阀杆 | 隔膜、薄膜 | 薄膜压板 |
| 材料 | HT200 | 35 | 35 | 氟丁橡胶、氟塑料 | Q235-A |
主要规格
| 型号 | 公称通径 Dn(mm) | ||||||||||
| 20 | 25 | 32 | 40 | 50 | 65 | 80 | 100 | 125 | 150 | 200 | |
| EG641W/J/FS-6 | 。 | ||||||||||
| EG641W/J/FS-10 | 。 | 。 | 。 | 。 | 。 | ||||||
| EG641W/J/FS-16 | 。 | 。 | 。 | 。 | 。 | ||||||
1、设计与制造按:GB12239或BS5156
2、结构长度按:GB12221或BS5156
3、法兰连接尺寸按:GB4216.4或BS4504
4、试验与检验按:GB/T13927或BS5156
主要性能规范
| 型号 | 公称压力 PN(MPa) | 试验压力PS(MPa) | 适用介质 | 工作温度 (℃) | |
| 壳体试验 | 密封试验 | ||||
| EG641W/J/FS-6 | 0.6 | 0.9 | 0.66 | W.非腐蚀性流体J.一般腐蚀性流体 FS。强酸、碱及各种有机溶剂 (熔融碱金属及无素氟除外) | ≤100 ≤85 ≤150 |
| EG641W/J/FS-10 | 1.0 | 1.5 | 1.1 | ||
| EG641W/J/FS-16 | 1.6 | 2.4 | 1.76 | ||
主要外形连接尺寸及质量
| 型号 | 公称通径 DN(mm) | 尺 寸(mm) | 气 动 装 置 | 质量 ?K | |||||||||
| L | D1 | D | n-d | H | B | 代号 ES | 耗气量 Cn3 | 气源压力 MPa | 气源 接头 in | ||||
| J型 | W型 | ||||||||||||
| EG641W/J/FS-16 | 20 | 121 | 117 | 75 | 105 | 4-13.5 | 136 | 168 | 54 | 163.87 | 0.3 | 1/8 | 5 |
| 25 | 131 | 127 | 85 | 115 | 4-13.5 | 144 | 168 | 54 | 196.65 | 0.3~0.4 | 1/8 | 6.2 | |
| 32 | 150 | 146 | 100 | 140 | 4-17.5 | 209 | 260 | 55 | 229.4 | 0.3~0.4 | 1/8 | 7 | |
| 40 | 163 | 159 | 110 | 150 | 4-17.5 | 227 | 260 | 55 | 1458.7 | 0.3~0.4 | 1 1/4 | 13 | |
| 50 | 194 | 190 | 125 | 165 | 4-17.5 | 231 | 260 | 55 | 3162.7 | 0.3~0.4 | 1 1/4 | 23 | |
| EG641W/J/FS-10 | 65 | 220 | 216 | 145 | 185 | 4-17.5 | 252 | 260 | 55 | 3243 | 0.3~0.4 | 1 1/4 | 27 |
| 80 | 258 | 254 | 160 | 200 | 8-17.5 | 285 | 425 | 56 | 6636.8 | 0.4~0.5 | 3/8 | 56 | |
| 100 | 309 | 305 | 180 | 220 | 8-17.5 | 360 | 425 | 57 | 6948 | 0.4~0.5 | 3/8 | 60 | |
| 125 | 362 | 356 | 210 | 250 | 8-17.5 | 370 | 425 | 57 | 7374.2 | 0.4~0.5 | 3/8 | 68 | |
| 150 | 412 | 406 | 240 | 285 | 8-22 | 462 | 549 | 58 | 10652 | 0.5 | 3/8 | 155 | |
| EG641W.J.FS-6 | 200 | 527 | 521 | 295 | 340 | 8-22 | 544 | 549 | 58 | 16715 | 0.6 | 3/8 | 196 |
注:1、气动衬胶隔膜阀(衬里阀门)尚可附装反馈信号,限位器或定位器,以适应自控、程控或调节流量的需要。
注:
1.本网页的气动衬胶隔膜阀结构、结构图、尺寸、参数等主要性能参数,以及安装尺寸图、安装尺寸表均只适用于参考,详细CAD图、安装图、以及产品说明书请向赛泰阀门营销人员索取。
2.由于编辑水平有限,错误和不妥之处在所难免,真诚希望您批评指正。
气动衬胶隔膜阀相关产品
下一页:气动衬氟隔膜阀
返回至本系列目录:衬里阀门
上一页:气动隔膜阀